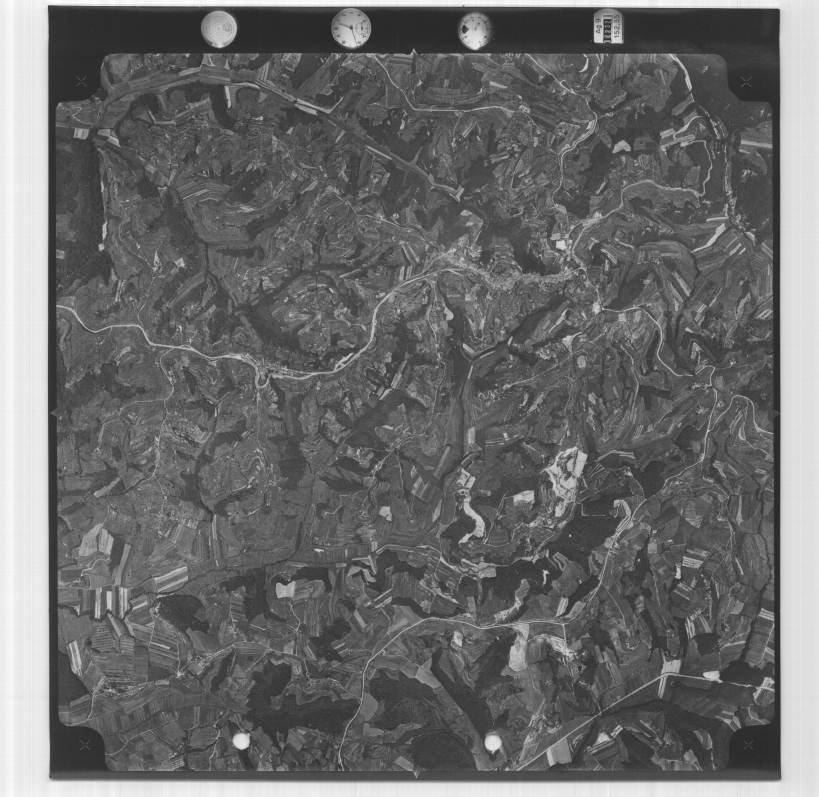
1965 - 2800 - 112-VI-2232 Foto aeree: file TIFF a 2400 DPI
112-VI-2232
24.0€
NETTO
IVA
22.0%
-
Disponibilita'
- Accedi al sito per procedere con l'acquisto
Fotogramma:2232
Strisciata:VI
Foglio:112
Collocazione:1965
Dati Essenziali
Data:1965-06-18
Quota:2800
Scala:22000
Dati Fotogramma
Supporto:PELLICOLA
Negativo:F3/300
Focale:152,35
Macc. Presa:WILD
Formato:23X23
Ripresa:BN
Modalita':Scansione fotogramma TIFF 2400 DPI non fotogrammetrico
Immagine a bassa risoluzione (circa 88 dpi del negativo). Scansioni ad alta risoluzione disponibili a pagamento. I fotogrammi non sono pronti per il download immediato Una volta acquistati verranno consegnati al cliente presumibilmente entro 15 giorni
© 2015 Istituto Geografico Militare, tutti i diritti riservati.

© 2015 Istituto Geografico Militare, tutti i diritti riservati.