Salta ai contenuti.Salta alla navigazione

Dal 9 dicembre 2025 al 12 gennaio 2026 compresi non sarà possibile effettuare acquisti sul nostro sito web. Potrete tornare a fare i vostri acquisti online dal 13 gennaio 2026.

Dal 9 dicembre 2025 al 12 gennaio 2026 compresi non sarà possibile effettuare acquisti sul nostro sito web. Potrete tornare a fare i vostri acquisti online dal 13 gennaio 2026.

176120 MADONNA DELLO STERPETO

MADONNA DELLO STERPETO
10.0 NETTO IVA 22.0%
  • Disponibilita'
  • Accedi al sito per procedere con l'acquisto
Punti trigonometrici scheda descrittiva
Le schede monografiche dei punti trigonometrici non sono visibili poiche' al momento e' in corso la loro digitalizzazione: prima di acquistare il punto si consiglia di contattare l'archivio geodetico per avere maggiori informazioni
176120     MADONNA DELLO STERPETO
Cartografia Serie 25 423 sez I Barletta
Serie 25V 176 INO Barletta
Localizzazione
Nazione ITALIA
Regione PUGLIA
Provincia BARLETTA-ANDRIA-TRANI
Comune BARLETTA
Carabinieri BARLETTA
Coordinate Attenzione Le coordinate geografiche sono in gradi sessagesimali approssimate al secondo. Le coordinate piane e le quote sono espresse in metri con cifre significative fino al decametro.
ROMA40   ETRF2000   Quote
Φ 41° 18' 09"   Φ 41° 18' 11"   s.l.m. 30
λ 03° 51' 43"   λ 16° 18' 51"   Quote ellisoidica  
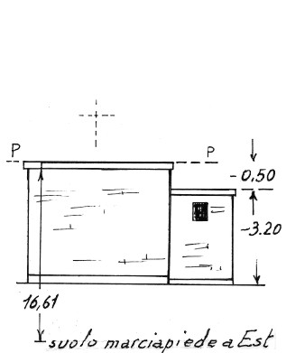
Materializzazione Centrino di superficie in ferro cementato in asse al casotto soprascala più alto della costruzione.
Accesso
Informazioni Ausiliare
Produttore IGM
Segnalizzato 1974
Modalita':  Vertici trigonometrici di certa definizione
Immagini:




Monografia
(Clicca sulle immagini per ingrandire)
Message