Salta ai contenuti.Salta alla navigazione

Dal 9 dicembre 2025 al 12 gennaio 2026 compresi non sarà possibile effettuare acquisti sul nostro sito web. Potrete tornare a fare i vostri acquisti online dal 13 gennaio 2026.

Dal 9 dicembre 2025 al 12 gennaio 2026 compresi non sarà possibile effettuare acquisti sul nostro sito web. Potrete tornare a fare i vostri acquisti online dal 13 gennaio 2026.

100257 GAMBETTOLA

GAMBETTOLA
10.0 NETTO IVA 22.0%
  • Disponibilita'
  • Accedi al sito per procedere con l'acquisto
Punti trigonometrici scheda descrittiva
Le schede monografiche dei punti trigonometrici non sono visibili poiche' al momento e' in corso la loro digitalizzazione: prima di acquistare il punto si consiglia di contattare l'archivio geodetico per avere maggiori informazioni
100257     GAMBETTOLA
Cartografia Serie 25 256 sez IV Cesenàtico
Serie 25V 100 IINE Savignano sul Rubicone
Localizzazione
Nazione ITALIA
Regione EMILIA-ROMAGNA
Provincia FORLÌ-CESENA
Comune GAMBETTOLA
Carabinieri GAMBETTOLA
Coordinate Attenzione Le coordinate geografiche sono in gradi sessagesimali approssimate al secondo. Le coordinate piane e le quote sono espresse in metri con cifre significative fino al decametro.
ROMA40   ETRF2000   Quote
Φ 44° 06' 53"   Φ 44° 06' 56"   s.l.m. 50
λ -00° 06' 43"   λ 12° 20' 25"   Quote ellisoidica  
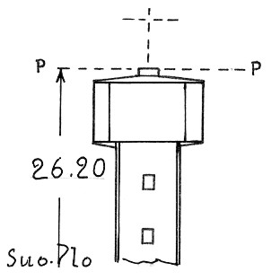
Materializzazione Serbatoio dell'acquedotto. Asse geometrico del serbatoio.
Accesso
Informazioni Ausiliare
Produttore IGM
Segnalizzato 1982
Modalita':  Vertici trigonometrici di certa definizione
Immagini:




Monografia Foto 1
(Clicca sulle immagini per ingrandire)
Message